Specifications#
General Specifications#
Parameter |
Min |
Typ. |
Max |
Units |
|---|---|---|---|---|
Input Voltage |
– |
– |
24 |
V |
Free speed @ 12V |
– |
9600 |
– |
RPM |
Free current @ 12V |
– |
1.5 |
– |
A |
Continuous Current |
– |
40 |
– |
A |
Peak Current (5s) |
– |
– |
70 |
A |
Operating Temperature |
-20 |
– |
100 |
°C |
Weight (with wires) |
– |
0.45 |
– |
lb |
kV |
– |
800 |
– |
RPM/V |
kT |
– |
0.0118 |
– |
N*m/A |
Stall Current (12V) |
– |
240 |
– |
A |
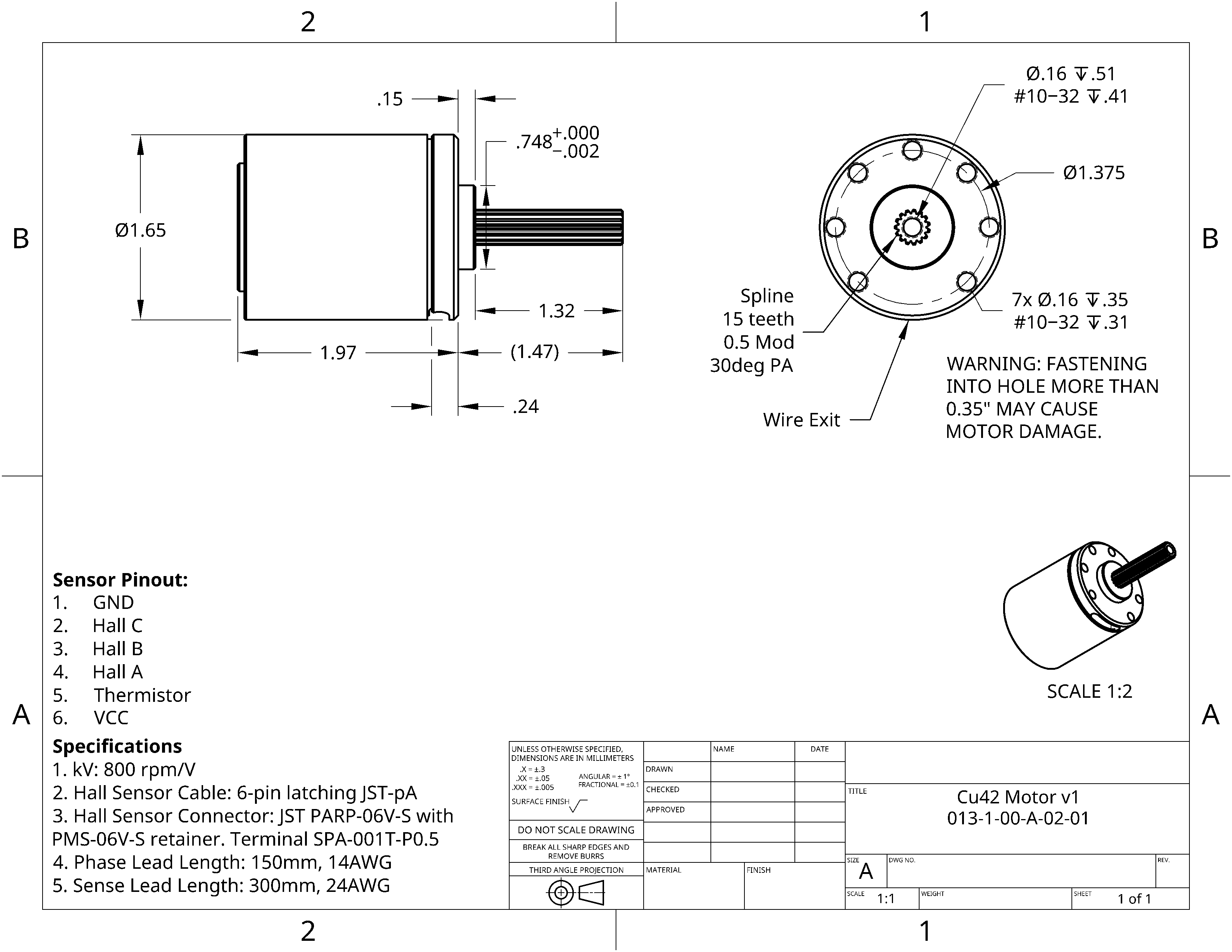
Mechanical Drawing#